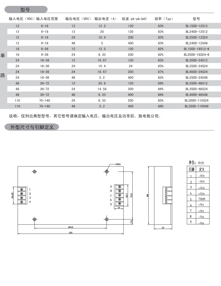
功率:150-500W 輸入電壓:9-18VDC 18-36VDC 36-72VDC 9-36VDC 70-140VDC 輸出路數:單路 外形尺寸:160*88*27mm 安裝方式:端子式
點擊下載附件 BL-D.pdf